热线电话
13946517306
13845303288
网站首页
公司简介
故障定位
行业动态
公司动态
产品案例
在线留言
联系我们
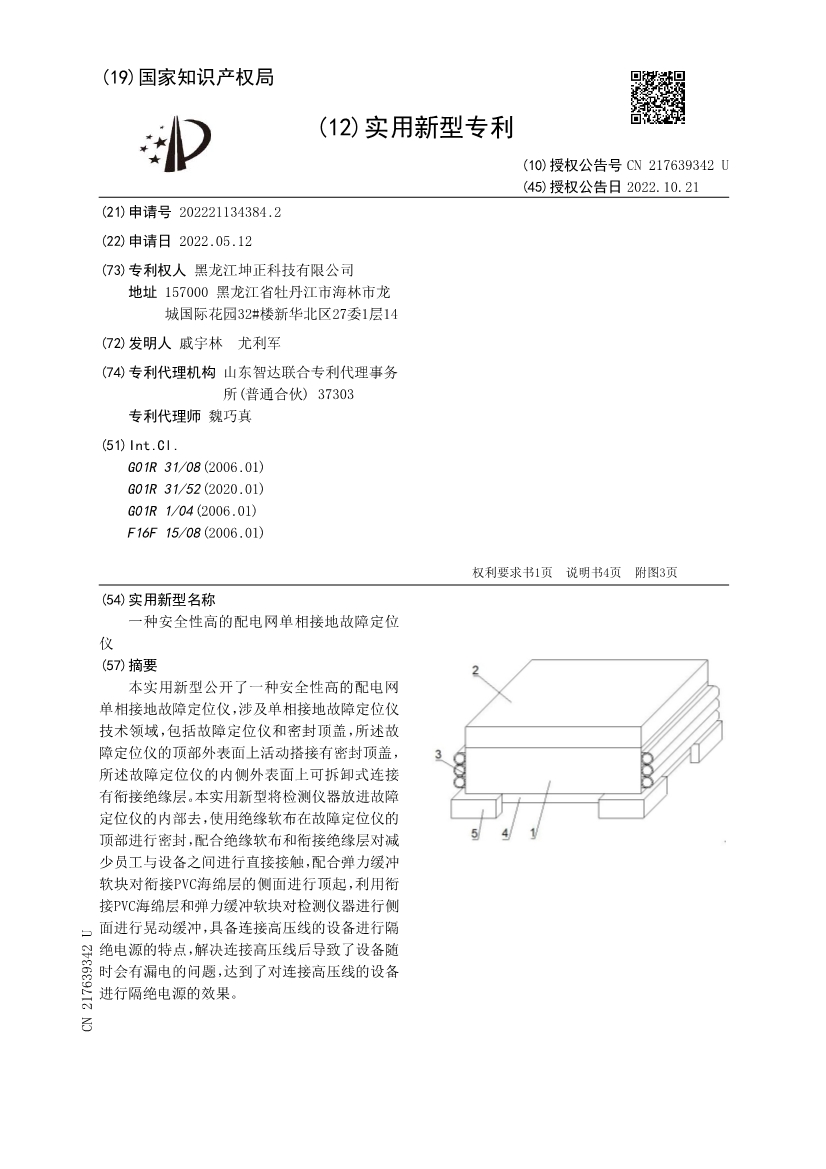
一种安全性高的配电网单相接地故障定位仪
更新时间:2022-12-12 09:15:56 点击次数:607 次
上一篇:
一种灵敏度高的配电网单相接地故障定位仪
下一篇:
一种同步信号源故障测距装置实用新型专利
网站首页
公司简介
故障定位
行业动态
公司动态
产品案例
在线留言
联系我们
address
公司地址:
黑龙江省海林市中央上城29栋1门市
pnhne
公司电话:
13946517306
13845303288
Email
公司邮箱:
ylj1480@163.com
Copyright © 2021 黑龙江坤正科技有限公司 All rights reserved
黑ICP备2021006272号-1
黑公网安备23108302011169号